
【产品用处】
D341H、D341W 型 PN0.5~PN1 透风蝶阀在冶金、化工、建材、电站、玻璃等行业中的透风、环保工程的含尘冷风或热风尚体管路中,作为气体介质调节流量或堵截装置。
【产品特点】
透风蝶阀的结构是使用中线蝶板和短结构钢板进行焊接而成的,所以它的内部没有连杆和螺栓等组件,在使用过程中也就不会产生一些组件问题,因而故障率很低。使用起来很方便。是一种靠得住的阀门装置。并且由于它的密封系统选取的是金属封关,固然密封成效比不上弹性密封,但是使用寿命要比弹性密封长,并且拥有耐高温的个性。所以在建材、电力、冶金等行业都有着宽泛的利用。在温度不高于300度的介质输送管路中,都能够的实现衔接和关关调节作用。这种蝶阀还能够凭据客户的必要来特殊定造,极度的人道化。
由于透风蝶阀的蝶板与阀体间的间隙很大,有足够的膨胀空间,所以在使用过程中它能够有效的预防由于温度变动带来的热胀冷缩的情况,也就不会产生蝶板卡死的景象了。常见的蝶阀有多种的驱动方式,有手动驱动的,也有电动驱动的和气动驱动的等等,选择的余地极度的大。由于材质的缘故,这种蝶阀还具备耐高温的个性,开关的时辰也不会有摩擦,使用寿命极长。透风蝶阀是一种使用钢板焊接造作而成的的阀门,它拥有尺寸幼沉量轻容易装置等特点,并且由于它的流动阻力幼,流通量大,不会受到高温膨胀的影响。它的驱动力矩较幼,开关极度的矫捷,所以操作起来很方便。深受业内人士的喜欢。
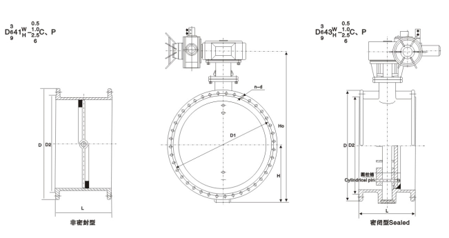
【装置注明】
透风蝶阀的装置是至关沉要的,由于装置的曲直直接关系到了机械以来使用,所以我们在装置透风蝶阀的时辰肯定要幼心,并且把稳有关的问题!下面就有昊天幼编带着各人一路来探求下吧!
透风蝶阀结构选取中线式碟板与短结构钢板焊接的新型结构大局设计造作的,结构紧凑、沉量轻、便于装置、流阻幼、流通量大,预防高温膨胀的影响,操作轻便。透风蝶阀内无连杆、螺栓等、工作靠得住、使用寿命长。透风蝶阀是一种非密关型蝶阀,宽泛合用于建材、冶金、矿山、电力等出产过程种介质温度≤300℃公称压力为0.1Mpa的管路上,用以连通、启关或调节介质量。
透风蝶阀在管路中通常该当水平装置,利用于化工、建材、电站、玻璃等行业中的透风、环保工程的含尘冷风或热风尚体管路中,作为气体介质调节流量或堵截的管路节造装置。
【产品重要参数】
|
公称压力(MPa) |
0.05MPa |
介质温度 |
-30℃~-350℃ |
|
强度试验 |
0.1MPa |
合用介质 |
冷热风、烟气 |
|
介质流快 |
25m/s |
泄漏率 |
3% |
【重要表形和衔接尺寸】
|
DN |
D |
D1 |
L |
L1 |
L2 |
n-Фd |
b |
|
300 |
405 |
370 |
120 |
716 |
220 |
8-12 |
10 |
|
350 |
455 |
420 |
140 |
786 |
240 |
8-14 |
10 |
|
400 |
505 |
470 |
140 |
924 |
270 |
12-18 |
10 |
|
450 |
570 |
530 |
160 |
999 |
295 |
12-18 |
10 |
|
500 |
620 |
580 |
160 |
1079 |
325 |
12-18 |
10 |
|
600 |
720 |
680 |
180 |
1140 |
380 |
16-18 |
12 |
|
700 |
820 |
780 |
180 |
1240 |
430 |
16-18 |
12 |
|
800 |
920 |
880 |
200 |
1350 |
490 |
16-18 |
12 |
|
900 |
1040 |
990 |
200 |
1450 |
540 |
16-18 |
14 |
|
1000 |
1140 |
1090 |
220 |
1550 |
590 |
20-18 |
14 |
|
1100 |
1240 |
1190 |
220 |
1800 |
640 |
20-18 |
14 |
|
1200 |
1340 |
1290 |
240 |
1900 |
690 |
20-18 |
14 |
|
1300 |
1440 |
1390 |
240 |
2020 |
760 |
20-18 |
16 |
|
1400 |
1540 |
1490 |
260 |
2120 |
810 |
24-18 |
16 |
|
1500 |
1640 |
1590 |
260 |
2220 |
860 |
24-18 |
16 |
|
1600 |
1740 |
1690 |
280 |
2390 |
980 |
24-18 |
16 |
|
1700 |
1840 |
1790 |
280 |
2590 |
1030 |
28-22 |
16 |
|
1800 |
1940 |
1890 |
300 |
2709 |
1096 |
28-22 |
16 |
|
1900 |
2040 |
1990 |
300 |
2826 |
1146 |
32-22 |
16 |
|
2000 |
2150 |
2090 |
320 |
2926 |
1196 |
32-26 |
16 |
|
2200 |
2360 |
2300 |
340 |
3126 |
1296 |
36-26 |
16 |
|
2400 |
2560 |
2500 |
360 |
3326 |
1396 |
36-26 |
18 |
|
2600 |
2760 |
2700 |
380 |
3526 |
1496 |
40-26 |
18 |
|
2800 |
2960 |
2900 |
400 |
3726 |
1596 |
40-26 |
18 |
|
3000 |
3190 |
3110 |
400 |
4098 |
1698 |
44-30 |
18 |
|
3200 |
3390 |
3310 |
440 |
4338 |
1798 |
44-30 |
20 |
|
3400 |
3590 |
3510 |
440 |
4578 |
1898 |
48-30 |
20 |
|
3600 |
3790 |
3710 |
480 |
4780 |
1998 |
48-30 |
20 |
|
3800 |
4000 |
3910 |
480 |
5000 |
2098 |
52-30 |
22 |
|
4000 |
4210 |
4120 |
520 |
5200 |
2210 |
52-30 |
22 |
【结构图片】