
【产品用处】
J41H、J41Y、J41W国标不锈钢截止阀的启关件是圆柱形的阀瓣,密封面呈平面或准,阀瓣沿流体的中心线作直线活动。国标截止阀只合用于全开和全关,通常不用来调节流量,定做时允许作调节和节流。
【产品特点】
1、结构单一,造作和维建比力方便
2、工作行程幼,启关功夫短
3、密封性好,密封面间磨擦力幼,寿命较长
【执行尺度】
设计规范:GB/T 12235
结构长度:GB/T 12221
法兰衔接:JB/T 79
试验与检验:JB/T 9002
产品标识:GB/T 12220
供货规范:JB/T 7928
【机能参数】
|
型号 |
J41H-16C~160C |
J41Y-16C~160C |
J41W-16P~160P |
|
|
工作压力(MPa) |
1.6~16.0 |
|||
|
合用温度(℃) |
≤425 |
≤150 |
||
|
合用介质 |
水、蒸汽、油品 |
弱侵蚀性介质 |
||
|
资料 |
阀体、阀盖 |
碳素钢 |
铬镍钛不锈钢 |
|
|
阀杆 |
铬不锈钢 |
铬镍钛不锈钢 |
||
|
密封面 |
堆焊铁基合金 |
堆焊硬基合金 |
本体资料 |
|
|
填料 |
石棉石墨、柔性石墨、聚四氟乙烯 |
|||
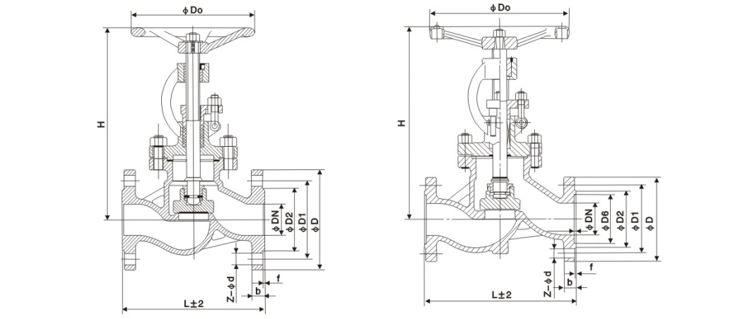
【重要表形和衔接尺寸】
|
公称通径 |
重要表形尺寸和衔接尺寸 |
|||||||
|
L |
D |
D1 |
D2 |
b |
Z-d |
H |
D0 |
|
|
J41H-16C |
||||||||
|
15 |
130 |
95 |
65 |
45 |
14-2 |
4-Φ14 |
170 |
120 |
|
20 |
150 |
105 |
75 |
55 |
14-2 |
4-Φ14 |
190 |
140 |
|
25 |
160 |
115 |
85 |
65 |
14-2 |
4-Φ14 |
205 |
160 |
|
32 |
180 |
135 |
100 |
78 |
16-2 |
4-Φ18 |
270 |
180 |
|
40 |
200 |
145 |
110 |
85 |
16-3 |
4-Φ18 |
310 |
200 |
|
50 |
230 |
160 |
125 |
100 |
16-3 |
4-Φ18 |
358 |
240 |
|
65 |
290 |
180 |
145 |
120 |
18-3 |
4-Φ18 |
373 |
240 |
|
80 |
310 |
195 |
160 |
135 |
20-3 |
8-Φ18 |
435 |
280 |
|
100 |
350 |
215 |
180 |
155 |
20-3 |
8-Φ18 |
500 |
300 |
|
125 |
400 |
245 |
210 |
185 |
22-3 |
8-Φ18 |
614 |
320 |
|
150 |
480 |
280 |
240 |
210 |
24-3 |
8-Φ23 |
674 |
360 |
|
200 |
600 |
335 |
295 |
265 |
26-3 |
12-Φ23 |
811 |
400 |
|
250 |
650 |
405 |
355 |
320 |
30-3 |
12-Φ25 |
969 |
450 |
|
300 |
750 |
460 |
410 |
375 |
30-3 |
12-Φ25 |
1145 |
580 |
|
350 |
850 |
520 |
470 |
435 |
34-4 |
16-Φ25 |
1280 |
640 |
|
400 |
980 |
580 |
525 |
485 |
36-4 |
16-Φ30 |
1452 |
640 |
|
J41H-25C |
||||||||
|
15 |
130 |
95 |
65 |
45 |
16-2 |
4-Φ14 |
170 |
120 |
|
20 |
150 |
105 |
75 |
55 |
16-2 |
4-Φ14 |
190 |
140 |
|
25 |
160 |
115 |
85 |
65 |
16-2 |
4-Φ14 |
205 |
160 |
|
32 |
180 |
135 |
100 |
78 |
18-2 |
4-Φ18 |
270 |
180 |
|
40 |
200 |
145 |
110 |
85 |
18-3 |
4-Φ18 |
310 |
200 |
|
50 |
230 |
160 |
125 |
100 |
20-3 |
4-Φ18 |
358 |
240 |
|
65 |
290 |
180 |
145 |
120 |
22-3 |
8-Φ18 |
373 |
240 |
|
80 |
310 |
195 |
160 |
135 |
22-3 |
8-Φ18 |
435 |
280 |
|
100 |
350 |
230 |
190 |
160 |
24-3 |
8-Φ23 |
500 |
300 |
|
125 |
400 |
270 |
220 |
188 |
28-3 |
8-Φ25 |
614 |
320 |
|
150 |
480 |
300 |
250 |
218 |
30-3 |
8-Φ25 |
674 |
360 |
|
200 |
600 |
360 |
310 |
278 |
34-3 |
12-Φ25 |
811 |
400 |
|
250 |
650 |
425 |
370 |
332 |
36-3 |
12-Φ30 |
969 |
450 |
|
300 |
750 |
485 |
430 |
390 |
40-4 |
16-Φ30 |
1145 |
580 |
|
350 |
850 |
550 |
490 |
448 |
44-4 |
16-Φ34 |
1280 |
640 |
|
400 |
980 |
610 |
550 |
505 |
48-4 |
16-Φ34 |
1452 |
640 |
【结构图片】
